今日の為替レートrate

お振込銀行

クレジットカード支払い

ログイン | LOGIN

  • ems
  • jetro
  • ems

JTAG J-Link V8 V9 U-Link2 ST-Link ARM용 다기능 컨버터 어댑터 보드 STM32

通常価格 34,650ウォン
販売価格 12,120ウォン
韓国内配送料 国内送料無料
オプション
 
 
商品購入についてのご案内
 

・こちらで紹介している商品はワンモアが販売する商品ではありません。

・この商品の詳細情報、原産地、などは下記の【元の商品ページで開く】をクリックすると通販サイトで確認できます。

・この商品は韓国通販サイト【Auction.co.kr】の情報提携によって掲載しています。

・掲載されている商品のすべてが購入代行可能な商品ではなく、国際発送ができない商品や輸入ができない商品もあります。

・こちらで紹介している商品のイメージや詳細内容につきましては一切責任を負いません。

・購入希望の場合は販売サイト情報をご確認の上、「購入代行サービスお申し込み」よりご依頼ください。



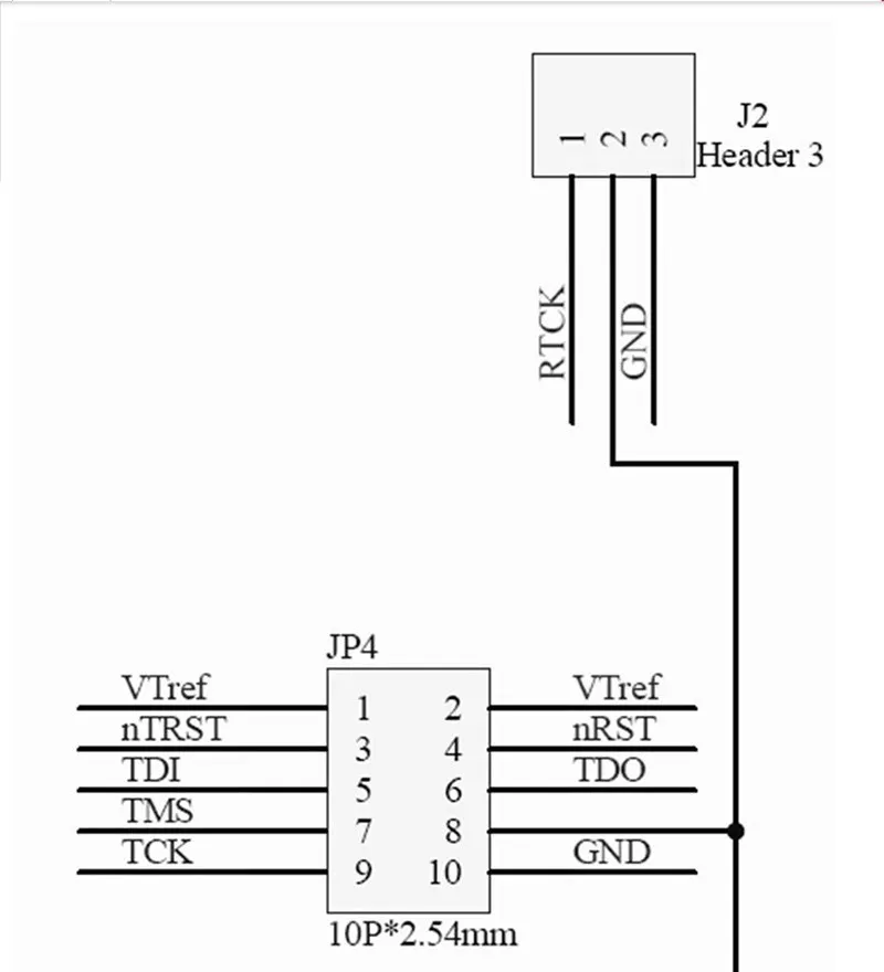
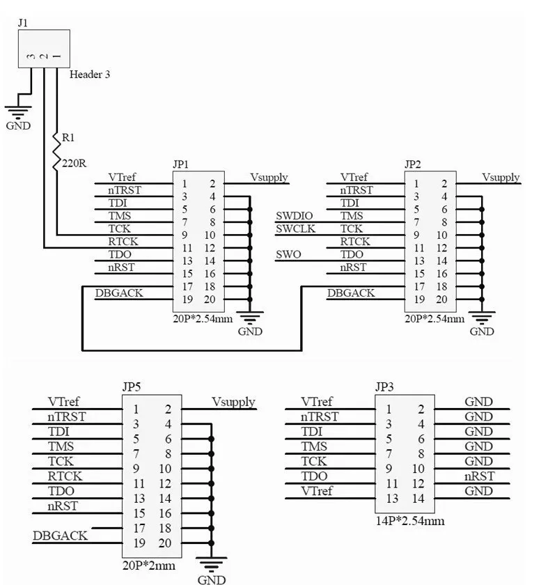
다기능 어댑터 보드

다기능 어댑터 보드에서 제공하는 인터페이스는 다음과 같습니다.

인터페이스 1: 2.54 피치 20 핀 코너 소켓 × 1 (JTAG 소켓에 직접 연결할 수 있음)

인터페이스 2: 2.54 피치 20 핀 직선 소켓 X 1

인터페이스 3: 2.0 피치 20 핀 직선 소켓 X 1

인터페이스 4: 2.54 피치 14 핀 직선 소켓 × 1

Lnterface 5: 2.54 피치 10 핀 직선 소켓 × 1

인터페이스 6: 2.0 피치 10 핀 직선 소켓 × 1

Lnterface 7: 2.54 피치 6 핀 직선 소켓 X 1

인터페이스 8: 2.54 피치 4 핀 직선 소켓 × 1

 

 

개략도 1:

image
 
image
image