
|
|||||||||||||||||
| 商品購入についてのご案内 | |||
|
|||

1. 제품 설명:
MP503 공기 품질 가스 센서는 다층 두꺼운 필름 제조 공정을 사용합니다. 히터 및 금속 산화물 반도체 가스 민감성 층은 소형 Al2O3 세라믹 기판의 양면에 각각 제조되고 금속 케이싱에 포장된다. 감지 된 가스가 주변 공기에 존재하면 센서의 전도도가 변경됩니다. 가스의 농도가 높을수록 센서의 전도도가 높아집니다. 간단한 회로를 사용하여 이러한 전도도 변화를 가스 농도에 해당하는 출력 신호로 변환 할 수 있습니다.
2. 센서 특성:
이 제품은 알코올, 연기, 이소 부탄 및 포름 알데히드에 대한 민감도가 높습니다. 빠른 응답 복구, 낮은 전력 소비, 간단한 감지 회로, 우수한 안정성, 긴 수명 등의 장점이 있습니다.
3. 신청:
가정 환경 및 사무실 유해 가스 감지, 자동 배기 장치, 공기 청정기 등
4. 매개 변수 및 구조 다이어그램:

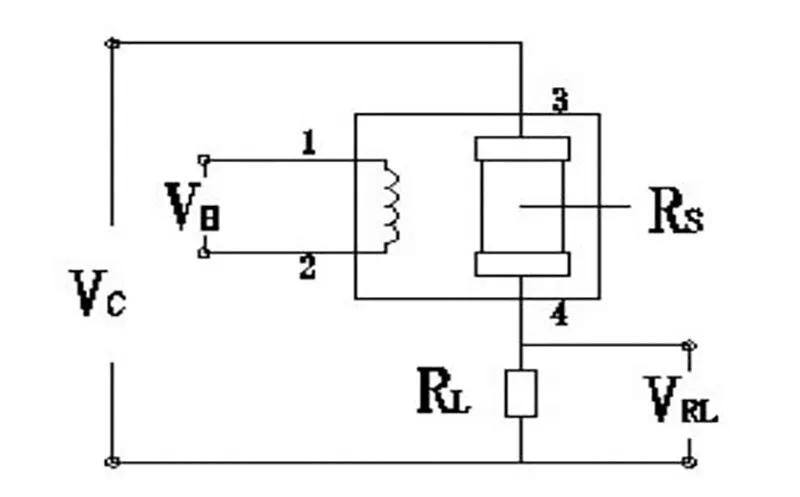
5. 기본 회로:

참고:위의 그림은 MP503 센서의 기본 테스트 회로입니다. 센서에는 히터 전압 (VH) 과 테스트 전압 (VC) 의 두 가지 전압이 필요합니다. 그 중 VH는 센서의 특정 작동 온도를 제공하는 데 사용되며 DC 또는 AC 전원을 사용할 수 있습니다. VRL은 직렬로 센서의 부하 저항 (RL) 에 걸친 전압입니다. VC는 부하 저항 RL의 테스트 전압입니다. DC 전원 공급 장치가 필요합니다.



